


Trong công nghiệp ma ní được coi là một trong những sản phẩm đóng vai trò rất quan trọng trong công việc xếp dỡ hàng hóa. Là sản phẩm thường được dùng để nối cáp, nối xích, nối dây thừng với nhau để có thể kéo, cẩu các khối hàng lớn. Vì vậy mà khi chọn ma ní, khách hàng cũng rất quan tâm đến chất lượng, kiểu dáng và thương hiệu. Hầu hết các sản phẩm trong nước đều không thể đáp ứng được nhu cầu sử dụng của các đơn vị nhà máy, nhà xưởng….. nên đều được nhập khẩu ma ní từ nước ngoài. Một trong những thương hiệu ma ní đứng đầu toàn cầu mà chúng ta không thể không nhắc đến chính là tập đoàn BRW. Đặc biệt là sản phẩm Ma ní xoay 360 độ tải trọng lớn M24-M100 BRW mà HTGoods sẽ giới thiệu đến bạn ngay sau đây.
Ma ní xoay 360 độ tải trọng lớn M24-M100 BRW là sản phẩm được hình thành từ quá trình rèn đúc nguyên khối với nguyên liệu chủ yếu là thép cacbon trong môi trường nhiệt độ cao. Tất cả các khâu sản xuất đều được BRW kiểm tra một cách nghiêm ngặt từ khâu nguyên liệu đầu vào, quá trình sản xuất, cho tới thành phẩm. Không giống như những dòng ma ní khác Ma ní xoay 360 độ tải trọng lớn M24-M100 BRW là dòng ma ní có thể xoay 360 độ - là sản phẩm chuyên dụng trong công việc cẩu, kéo các khối hàng lớn có trọng tải cao là công cụ đắc lực cho tất cả những vật liệu dùng để nối ghép.
![]()
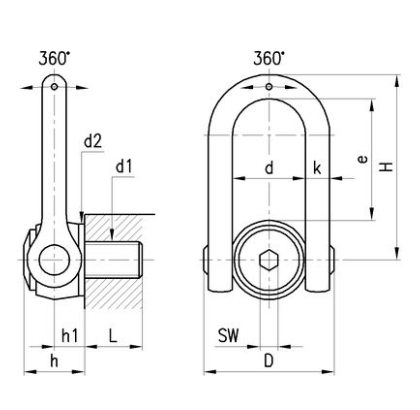
Sản phẩm có cấu tạo gồm 2 phần: phần thân và phần chốt vặn. Phần thân được đúc từ thép carbon nguyên khối có khả năng chịu lực lớn và được nhiệt luyện tôi trong môi trường có nhiệt độ cao giúp cho Ma ní xoay 360 độ tải trọng lớn M24-M100 BRW có tuổi thọ cao, bền bỉ, chịu được lực lớn đồng thời có độ dẻo dai và chống nứt gãy trong quá trình sử dụng.
Ma ní xoay 360 độ tải trọng lớn M24-M100 BRW được sử dụng linh hoạt khi có thể kết nối dài với các đoạn dây cáp, dây xích để gắn chắc các móc hay tăng đơ, chốt cột. Vì vậy mà Ma ní xoay 360 độ tải trọng lớn M24-M100 BRW là một trong những thiết bị không thể thiếu trong các công xưởng, công trình bến bãi….. Chỉ cần trong tay có một chiếc ma ní xoay và thao tác một vài hành động đơn giản là bạn đã có thể biến một chiếc xe thành cần cẩu di động.
![]()
Ma ní xoay 360 độ tải trọng lớn M24-M100 BRW có cấu tạo từ thép nên nó có thể dễ dàng được gắn kết với các loại xe nâng với các vít và dây xích rất dài.
Thương hiệu ma ní, móc cẩu xoay BRW (Brütsch/Rüegger Tools) sản xuất 100% tại Luxembourg - EU với tuổi đời trên 40 năm được tin dùng tại khắp các thị trường lớn như Châu Âu, Bắc Mỹ, Châu Á…bởi chất lượng và độ tin cậy cao. Sản phẩm của hãng được sử dụng rộng rãi trong nhiều lĩnh vực như công nghiệp, vận tải, thủy điện, nhiệt điện, đóng tàu, hàng không và năng lượng gió…..
![]()
BRW luôn lắng nghe khách hàng và theo dõi các xu hướng đáp ứng yêu cầu công việc để cải thiện và thiết kế ma ní, móc cẩu xoay phù hợp với nhu cầu sử dụng. Là dòng sản phẩm yêu cầu độ an toàn rất cao, sản phẩm của hãng trước khi xuất xưởng luôn đảm bảo tuân thủ nghiêm ngặt chứng nhận quốc tế.
![]()
1. Tiêu chuẩn an toàn Châu Âu (2006/42/EC)
Tất cả các phụ kiện nâng – hạ phải được đánh dấu CE, chứng nhận tuân thủ và khuyến nghị sử dụng phải được cung cấp cho mỗi lần giao hàng.
2. Tiêu chuẩn RAECH
Một tiêu chuẩn của Châu Âu có hiệu lực từ ngày 1/6/2007 liên quan đến việc đăng ký, đánh giá và cấp phép cho các hóa chất được sử dụng đối với sản phẩm. Nhằm đảm bảo độ an toàn và trách nhiệm của nhà sản xuất và quản lý với các chất hóa học khi sản xuất sản phẩm.
3. Tiêu chuẩn EN1677-1
Hãng BRW sản xuất ma ní móc cẩu xoay theo tiêu chuẩn EN1677-1 nhằm đảm bảo ma ní cẩu xoay phù hợp với yêu cầu an toàn và đảm bảo an toàn nghiêm ngặt trong quá trình sử dụng thường xuyên. Nên trên mỗi sản phẩm đều có khắc seri riêng
4. Chứng nhận ISO 9001
Ma ní móc cẩu BRW đạt tiêu chuẩn ISO 9001: 2015
5. Chứng nhận ISO 14001
Ma ní móc cẩu BRW đạt tiêu chuẩn ISO 14001: 2015
6. Tiêu chuẩn An toàn AEO
Từ tháng 1 năm 2015 thương hiệu BRW được chứng nhận tiêu chuẩn an toàn AEO.
Các sản phẩm ma ní móc cẩu thương hiệu BRW được thiết kế để nâng các vật nặng từ 0,07 đến 125 tấn với phạm vi xoay 360 °, mỗi sản phẩm có mã truy xuất nguồn gốc riêng để người dùng có thể truy xuất nguồn gốc mỗi sản phẩm.



Trong công nghiệp ma ní được coi là một trong những sản phẩm đóng vai trò rất quan trọng trong công việc xếp dỡ hàng hóa. Là sản phẩm thường được dùng để nối cáp, nối xích, nối dây thừng với nhau để có thể kéo, cẩu các khối hàng lớn. Vì vậy mà khi chọn ma ní, khách hàng cũng rất quan tâm đến chất lượng, kiểu dáng và thương hiệu. Hầu hết các sản phẩm trong nước đều không thể đáp ứng được nhu cầu sử dụng của các đơn vị nhà máy, nhà xưởng….. nên đều được nhập khẩu ma ní từ nước ngoài. Một trong những thương hiệu ma ní đứng đầu toàn cầu mà chúng ta không thể không nhắc đến chính là tập đoàn BRW. Đặc biệt là sản phẩm Ma ní xoay 360 độ tải trọng lớn M24-M100 BRW mà HTGoods sẽ giới thiệu đến bạn ngay sau đây.
Ma ní xoay 360 độ tải trọng lớn M24-M100 BRW là sản phẩm được hình thành từ quá trình rèn đúc nguyên khối với nguyên liệu chủ yếu là thép cacbon trong môi trường nhiệt độ cao. Tất cả các khâu sản xuất đều được BRW kiểm tra một cách nghiêm ngặt từ khâu nguyên liệu đầu vào, quá trình sản xuất, cho tới thành phẩm. Không giống như những dòng ma ní khác Ma ní xoay 360 độ tải trọng lớn M24-M100 BRW là dòng ma ní có thể xoay 360 độ - là sản phẩm chuyên dụng trong công việc cẩu, kéo các khối hàng lớn có trọng tải cao là công cụ đắc lực cho tất cả những vật liệu dùng để nối ghép.
![]()
Sản phẩm có cấu tạo gồm 2 phần: phần thân và phần chốt vặn. Phần thân được đúc từ thép carbon nguyên khối có khả năng chịu lực lớn và được nhiệt luyện tôi trong môi trường có nhiệt độ cao giúp cho Ma ní xoay 360 độ tải trọng lớn M24-M100 BRW có tuổi thọ cao, bền bỉ, chịu được lực lớn đồng thời có độ dẻo dai và chống nứt gãy trong quá trình sử dụng.
Ma ní xoay 360 độ tải trọng lớn M24-M100 BRW được sử dụng linh hoạt khi có thể kết nối dài với các đoạn dây cáp, dây xích để gắn chắc các móc hay tăng đơ, chốt cột. Vì vậy mà Ma ní xoay 360 độ tải trọng lớn M24-M100 BRW là một trong những thiết bị không thể thiếu trong các công xưởng, công trình bến bãi….. Chỉ cần trong tay có một chiếc ma ní xoay và thao tác một vài hành động đơn giản là bạn đã có thể biến một chiếc xe thành cần cẩu di động.
![]()
Ma ní xoay 360 độ tải trọng lớn M24-M100 BRW có cấu tạo từ thép nên nó có thể dễ dàng được gắn kết với các loại xe nâng với các vít và dây xích rất dài.
Thương hiệu ma ní, móc cẩu xoay BRW (Brütsch/Rüegger Tools) sản xuất 100% tại Luxembourg - EU với tuổi đời trên 40 năm được tin dùng tại khắp các thị trường lớn như Châu Âu, Bắc Mỹ, Châu Á…bởi chất lượng và độ tin cậy cao. Sản phẩm của hãng được sử dụng rộng rãi trong nhiều lĩnh vực như công nghiệp, vận tải, thủy điện, nhiệt điện, đóng tàu, hàng không và năng lượng gió…..
![]()
BRW luôn lắng nghe khách hàng và theo dõi các xu hướng đáp ứng yêu cầu công việc để cải thiện và thiết kế ma ní, móc cẩu xoay phù hợp với nhu cầu sử dụng. Là dòng sản phẩm yêu cầu độ an toàn rất cao, sản phẩm của hãng trước khi xuất xưởng luôn đảm bảo tuân thủ nghiêm ngặt chứng nhận quốc tế.
![]()
1. Tiêu chuẩn an toàn Châu Âu (2006/42/EC)
Tất cả các phụ kiện nâng – hạ phải được đánh dấu CE, chứng nhận tuân thủ và khuyến nghị sử dụng phải được cung cấp cho mỗi lần giao hàng.
2. Tiêu chuẩn RAECH
Một tiêu chuẩn của Châu Âu có hiệu lực từ ngày 1/6/2007 liên quan đến việc đăng ký, đánh giá và cấp phép cho các hóa chất được sử dụng đối với sản phẩm. Nhằm đảm bảo độ an toàn và trách nhiệm của nhà sản xuất và quản lý với các chất hóa học khi sản xuất sản phẩm.
3. Tiêu chuẩn EN1677-1
Hãng BRW sản xuất ma ní móc cẩu xoay theo tiêu chuẩn EN1677-1 nhằm đảm bảo ma ní cẩu xoay phù hợp với yêu cầu an toàn và đảm bảo an toàn nghiêm ngặt trong quá trình sử dụng thường xuyên. Nên trên mỗi sản phẩm đều có khắc seri riêng
4. Chứng nhận ISO 9001
Ma ní móc cẩu BRW đạt tiêu chuẩn ISO 9001: 2015
5. Chứng nhận ISO 14001
Ma ní móc cẩu BRW đạt tiêu chuẩn ISO 14001: 2015
6. Tiêu chuẩn An toàn AEO
Từ tháng 1 năm 2015 thương hiệu BRW được chứng nhận tiêu chuẩn an toàn AEO.
Các sản phẩm ma ní móc cẩu thương hiệu BRW được thiết kế để nâng các vật nặng từ 0,07 đến 125 tấn với phạm vi xoay 360 °, mỗi sản phẩm có mã truy xuất nguồn gốc riêng để người dùng có thể truy xuất nguồn gốc mỗi sản phẩm.



Trong công nghiệp ma ní được coi là một trong những sản phẩm đóng vai trò rất quan trọng trong công việc xếp dỡ hàng hóa. Là sản phẩm thường được dùng để nối cáp, nối xích, nối dây thừng với nhau để có thể kéo, cẩu các khối hàng lớn. Vì vậy mà khi chọn ma ní, khách hàng cũng rất quan tâm đến chất lượng, kiểu dáng và thương hiệu. Hầu hết các sản phẩm trong nước đều không thể đáp ứng được nhu cầu sử dụng của các đơn vị nhà máy, nhà xưởng….. nên đều được nhập khẩu ma ní từ nước ngoài. Một trong những thương hiệu ma ní đứng đầu toàn cầu mà chúng ta không thể không nhắc đến chính là tập đoàn BRW. Đặc biệt là sản phẩm Ma ní xoay 360 độ tải trọng lớn M24-M100 BRW mà HTGoods sẽ giới thiệu đến bạn ngay sau đây.
\nMa ní xoay 360 độ tải trọng lớn M24-M100 BRW là sản phẩm được hình thành từ quá trình rèn đúc nguyên khối với nguyên liệu chủ yếu là thép cacbon trong môi trường nhiệt độ cao. Tất cả các khâu sản xuất đều được BRW kiểm tra một cách nghiêm ngặt từ khâu nguyên liệu đầu vào, quá trình sản xuất, cho tới thành phẩm. Không giống như những dòng ma ní khác Ma ní xoay 360 độ tải trọng lớn M24-M100 BRW là dòng ma ní có thể xoay 360 độ - là sản phẩm chuyên dụng trong công việc cẩu, kéo các khối hàng lớn có trọng tải cao là công cụ đắc lực cho tất cả những vật liệu dùng để nối ghép.
\n![]()
Sản phẩm có cấu tạo gồm 2 phần: phần thân và phần chốt vặn. Phần thân được đúc từ thép carbon nguyên khối có khả năng chịu lực lớn và được nhiệt luyện tôi trong môi trường có nhiệt độ cao giúp cho Ma ní xoay 360 độ tải trọng lớn M24-M100 BRW có tuổi thọ cao, bền bỉ, chịu được lực lớn đồng thời có độ dẻo dai và chống nứt gãy trong quá trình sử dụng.
\n\n
Ma ní xoay 360 độ tải trọng lớn M24-M100 BRW được sử dụng linh hoạt khi có thể kết nối dài với các đoạn dây cáp, dây xích để gắn chắc các móc hay tăng đơ, chốt cột. Vì vậy mà Ma ní xoay 360 độ tải trọng lớn M24-M100 BRW là một trong những thiết bị không thể thiếu trong các công xưởng, công trình bến bãi….. Chỉ cần trong tay có một chiếc ma ní xoay và thao tác một vài hành động đơn giản là bạn đã có thể biến một chiếc xe thành cần cẩu di động.
\n![]()
Ma ní xoay 360 độ tải trọng lớn M24-M100 BRW có cấu tạo từ thép nên nó có thể dễ dàng được gắn kết với các loại xe nâng với các vít và dây xích rất dài.
\nThương hiệu ma ní, móc cẩu xoay BRW (Brütsch/Rüegger Tools) sản xuất 100% tại Luxembourg - EU với tuổi đời trên 40 năm được tin dùng tại khắp các thị trường lớn như Châu Âu, Bắc Mỹ, Châu Á…bởi chất lượng và độ tin cậy cao. Sản phẩm của hãng được sử dụng rộng rãi trong nhiều lĩnh vực như công nghiệp, vận tải, thủy điện, nhiệt điện, đóng tàu, hàng không và năng lượng gió…..
\n![]()
BRW luôn lắng nghe khách hàng và theo dõi các xu hướng đáp ứng yêu cầu công việc để cải thiện và thiết kế ma ní, móc cẩu xoay phù hợp với nhu cầu sử dụng. Là dòng sản phẩm yêu cầu độ an toàn rất cao, sản phẩm của hãng trước khi xuất xưởng luôn đảm bảo tuân thủ nghiêm ngặt chứng nhận quốc tế.
\n![]()
1. Tiêu chuẩn an toàn Châu Âu (2006/42/EC)
\nTất cả các phụ kiện nâng – hạ phải được đánh dấu CE, chứng nhận tuân thủ và khuyến nghị sử dụng phải được cung cấp cho mỗi lần giao hàng.
\n2. Tiêu chuẩn RAECH
\nMột tiêu chuẩn của Châu Âu có hiệu lực từ ngày 1/6/2007 liên quan đến việc đăng ký, đánh giá và cấp phép cho các hóa chất được sử dụng đối với sản phẩm. Nhằm đảm bảo độ an toàn và trách nhiệm của nhà sản xuất và quản lý với các chất hóa học khi sản xuất sản phẩm.
\n3. Tiêu chuẩn EN1677-1
\nHãng BRW sản xuất ma ní móc cẩu xoay theo tiêu chuẩn EN1677-1 nhằm đảm bảo ma ní cẩu xoay phù hợp với yêu cầu an toàn và đảm bảo an toàn nghiêm ngặt trong quá trình sử dụng thường xuyên. Nên trên mỗi sản phẩm đều có khắc seri riêng
\n4. Chứng nhận ISO 9001
\nMa ní móc cẩu BRW đạt tiêu chuẩn ISO 9001: 2015
\n5. Chứng nhận ISO 14001
\nMa ní móc cẩu BRW đạt tiêu chuẩn ISO 14001: 2015
\n6. Tiêu chuẩn An toàn AEO
\nTừ tháng 1 năm 2015 thương hiệu BRW được chứng nhận tiêu chuẩn an toàn AEO.
\nCác sản phẩm ma ní móc cẩu thương hiệu BRW được thiết kế để nâng các vật nặng từ 0,07 đến 125 tấn với phạm vi xoay 360 °, mỗi sản phẩm có mã truy xuất nguồn gốc riêng để người dùng có thể truy xuất nguồn gốc mỗi sản phẩm.
\n\n
\n
\n
\n
\n
\n
","summary":"

Ma ní xoay 360 độ BRW - # 862191, khả năng xoay 360 độ linh động, hàng nhập khẩu chính hãng từ Luxembourg có độ bền và độ tin cậy cao. Mỗi sản phẩm nhập khẩu đều có chứng nhận an toàn từ nhà sản xuất theo tiêu chuẩn ISO 14001 and ISO 9001
","template_layout":null,"available":true,"tags":["Loại sản phẩm_Ma ní","Thương hiệu_BRW"],"price":0.0000,"price_min":0.0000,"price_max":0.0000,"price_varies":false,"compare_at_price":0.0000,"compare_at_price_min":0.0000,"compare_at_price_max":0.0000,"compare_at_price_varies":false,"variants":[{"id":16027677,"barcode":null,"sku":null,"unit":null,"title":"Default Title","options":["Default Title"],"option1":"Default Title","option2":null,"option3":null,"available":true,"taxable":false,"price":0.0000,"compare_at_price":0.0000,"inventory_management":"","inventory_policy":"deny","inventory_quantity":0,"weight_unit":"kg","weight":0,"requires_shipping":true,"image":{"src":"https://bizweb.dktcdn.net/100/212/637/products/862190ab.jpg?v=1529313950833"}}],"featured_image":{"src":"https://bizweb.dktcdn.net/100/212/637/products/862190ab.jpg?v=1529313950833"},"images":[{"src":"https://bizweb.dktcdn.net/100/212/637/products/862190ab.jpg?v=1529313950833"},{"src":"https://bizweb.dktcdn.net/100/212/637/products/862190aq.jpg?v=1520322433093"}],"options":["Title"],"created_on":"2018-03-06T14:40:47","modified_on":"2021-04-19T10:06:05","published_on":"2017-12-13T10:13:00"}; var variantsize = false; var alias = "ma-ni-xoay-brw-862191"; var getLimit = 10; var productOptionsSize = 1; var selectCallback = function(variant, selector){ if (variant){ var form = jQuery('#' + selector.domIdPrefix).closest('form'); for(var i=0,length=variant.options.length; i